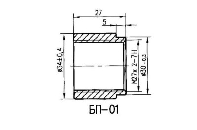
Бобышка БП1 М27х2-25
Описание
Бобышки предназначены для установки на них погружаемых термопреобразователей для измерения температуры, приборов для измерения давления, а так же для отборных устройств и запорных вентилей импульсивных линий, используемых в системах автоматизации технологических процессов в промышленности.Присоединение бобышек к трубопроводу осуществляется методом сварки.
Наличие
Можно заказать
Можно заказать
Можно заказать
Можно заказать
Можно заказать
Можно заказать
Похожие товары
Этот товар из подборок
Вакансии
Новости
Все новости
26 декабря 2025
График работы в новогодние праздники 2025
28 ноября 2025
Сплит в Ресане!
22 октября 2025
Плати частями













































































































































































































































































































































































































































